Пришлось поменять тему раздела, т.к. что-то активизировались любители "чемоданов" - промышленной техники.
Сразу хочу предупредить - не отношусь к уважаемой когорте почитателей военной и промышленной техники. И не в плане, что та техника "плохая"... Просто нет у меня времени на её освоение. Слишком много приходится затрачивать усилий на то, чтобы адаптировать промтехнику под наши задачи. Ну и размеры, вес, внешний вид...

У меня ещё с начала 90-х под столом стоит "
Катран КБ1", вот этот, см. по ссылке =>
КАТРАН. Начал его доделывать под нашу задачу - и АРУ нормальную сделал ему, и дополнительный ЭМФ по ПЧ, и нормальный
настоящий кварцевый фильтр 20кГц по первой ПЧ, и потом появились кварцевые фильтры по 6Кгц - см. здесь =>
ФИЛЬТР, и что-то там ещё доделывал... Но потом понял, что Швартцнегера себе не накачаю, ворочая ту коробенцию - под стол его... бо, слишком много усилий потребно...
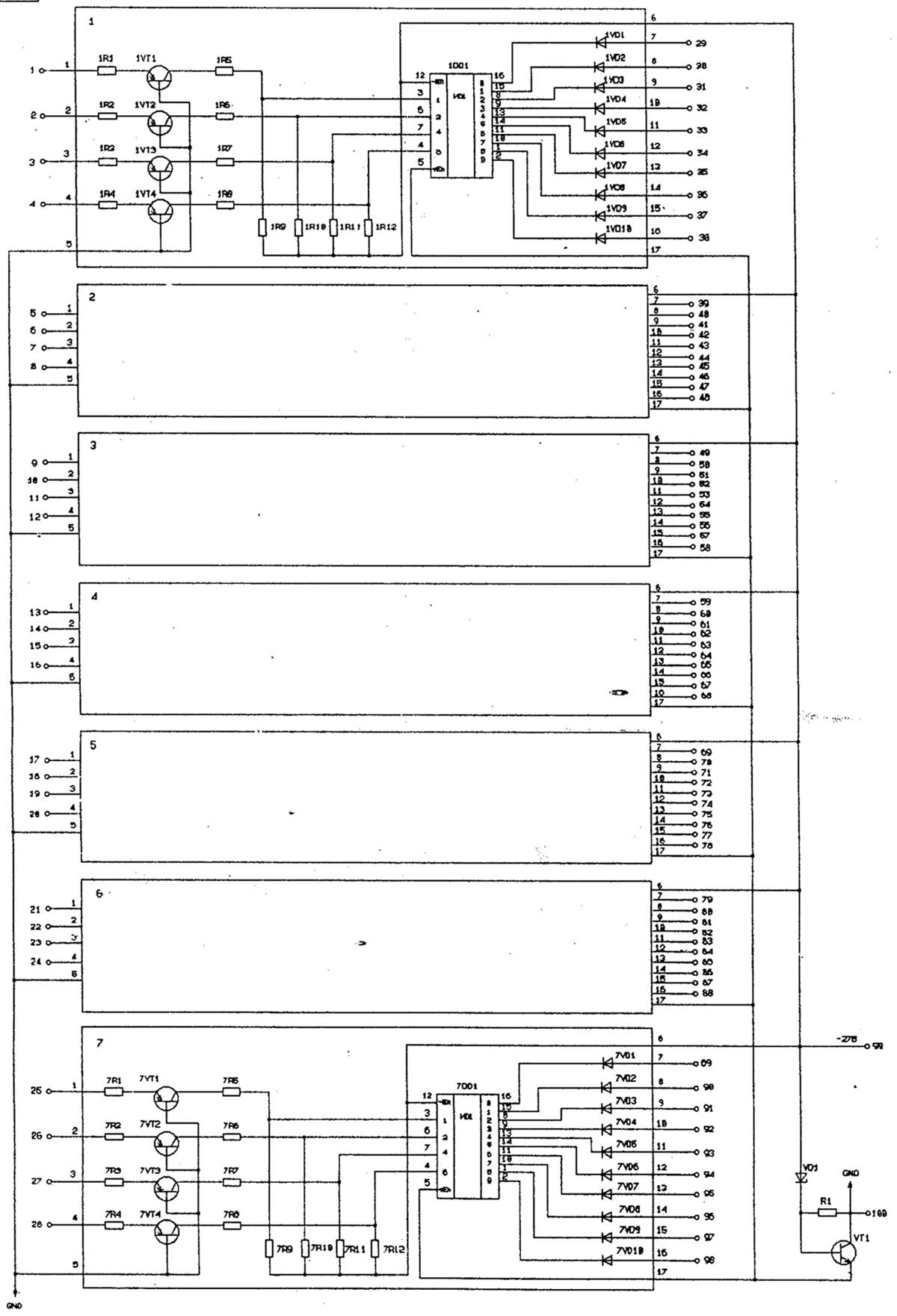
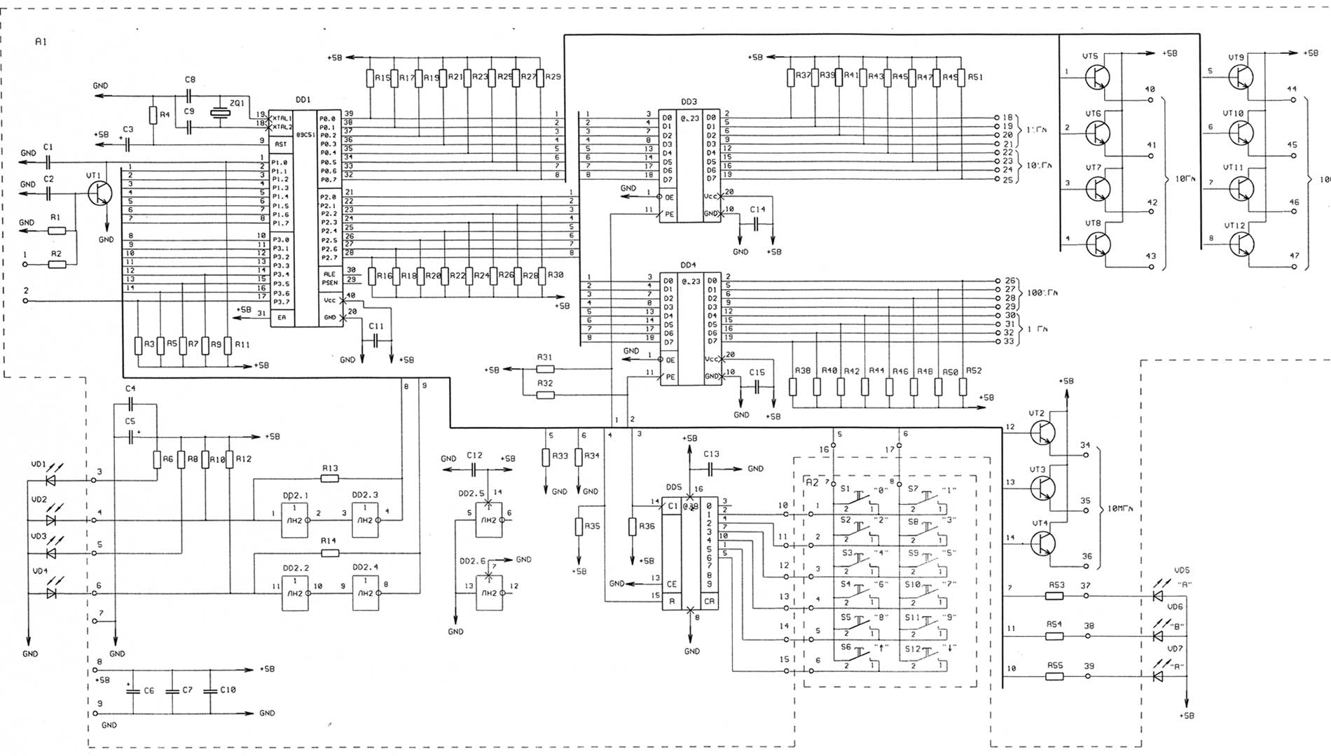
Так вот, по теме контроллера для Р-160, из недавнего -
...Очень рассчитываю на вашу помощь. Купил Р-160П с неисправным контроллером вашей конструкции. Нет ни схемы ни документации и нигде в интернете не найти. Большая просьба - пришлите на мой емейл. Надежда только на вас. Заранее благодарен! С уважением Борис RA1WQ 73! Вопрос: Мой коллега хочет купить у вас готовый контроллер. Если у вас уже их нет, то можна у вас получить прошивку? Я ему соберу и на программаторе прощью. Я думаю, что секрет прошивки теперь уже не актуален, т.к. фанатов Р-160 осталось единицы. А доброе дело в продолжение жизни вашей конструкции вы бы сделали.Докладываю - никаких секретов из того контроллера не делалось. Ещё в 2002 году всё было выложено на сайте в свободный полёт. И "болталось" на моей скр-ной страничке до тех пор, пока её не удалили. Не моя вина в том, что дядьки спохватываются только тогда, когда "вже отвалилось"...

Размещать заново то инфо на сайте - что-то нема желания, да и времени жаль. Т.к. напоминаю - всё в ваших руках! - на любом компакт-диске от
UT2FW есть папка с полной инфой к изготовлению контроллера для Р-160. И прошивка там есть, и рсв, и sch, и сканы печаток - бери делай, тиражируй. См. здесь =>
КОМПАКТ, при заказе нужно уточнять какой компакт, т.к. есть компакт-диск и только для СДРов. На компакте для SDR-а не будет этой инфо. Контроллеры делал лет 10 назад. Потом всё отдал Григорию
UT5EJ - он их делал.