R7ND писал(а):
Транзисторные ШПУ всегда начинаются с проверки ТОКОВ. Чтобы было "то" - следует выставлять ТОКИ, как потребно режимам транзисторов, а не чайникам... VOX - если сделан правильно - зачем убирать? Если сделан неправильно - переделать в правильно.
Забыли меня (долго не постил)?! Не..... я тут, доброго времени суток, Александр Юрьевич, и всем интересующимся
Коллегам по хобби.
Чуть предыстории
(да простят меня опытные, я же только учусь.).....не... время зря не прошло, вытянул я свой треугольник 80-метровый (как планировалось), периметром ~94,5 метра (как оказалось.... замерил реально висящий треугольник лазерным дальномером, кому интересно, модель моего треугольника для мманы в приложении, верхний угол от лоджии седьмого этажа десятиэтажки, координата Х направление на восток, qth мой NO66sf ), до КСВ 1,25 на 40m при линии питания в виде RG-58U (а вот DN-AA показал КСВ 1.09, 50ом, реактивное 0!!!!), трансформатором на мониторных трубках, тем самым подтвердив мнение
dl2kq (из его книг) -
физике безразлично какие линии питания выпускает земная промышленность. Т.е. имея в разумных пределах активную и реактивную составляющую на концах антенны (в данном случае трегуольник....
симметричный), при приемлемых ДН и усилении на нужном диапазоне...... все это дело можно согласовать, т.е. трансформировать импеданс на концах антенны с импедансом линии питания и ШПУ.
При чем тут
"Как я погружаюсь в мир ШПУ" и антенна? Кому то все сразу дается, кому то через практику, к делу....
После экспериментов с антенной, пришло понимание и по усилителю..... чем я раньше думал, что понимал....

....... собрал на сорока шт. (двух ватных, двух килоомных) резисторах эквивалент, и замерил выходную своего собранного SDR SoftRock 80/40, на прием....

ну красавец (мое имхо, кому интересно....
смотрим и слушаем 
), а на передачу... на 80m чуть больше 5 ватт, на 40m чуть больше 4 ватт....
Это фильтр на выходе SDR SR
Вложение:
lpf-80-40.jpg [ 82.16 КБ | Просмотров: 17464 ]
Фильтр режет выше 7.2мГц. Почему разница в выходной на 80m и 40m?

, на выходе усилителя примерно то же отношение, замерять после выходного бинокля усилителя без выходных фильтров думаю пустая трата времени, там гармоник в любом случае не мало.
Следующие этапы (лето закончилось надо и позаниматься

):
1. входной трансформатор переделать (сечас КСВ на входе 1,56, может получится меньше добиться)
1-1. КОНЕЧНО ЖЕ ТОКИ!!!
(ВОПРОС - как отобрать две пары IRF510 из nnnnn....... штук?!)2. выходной на новых биноклях (которые получил от Александра Юрьевича)
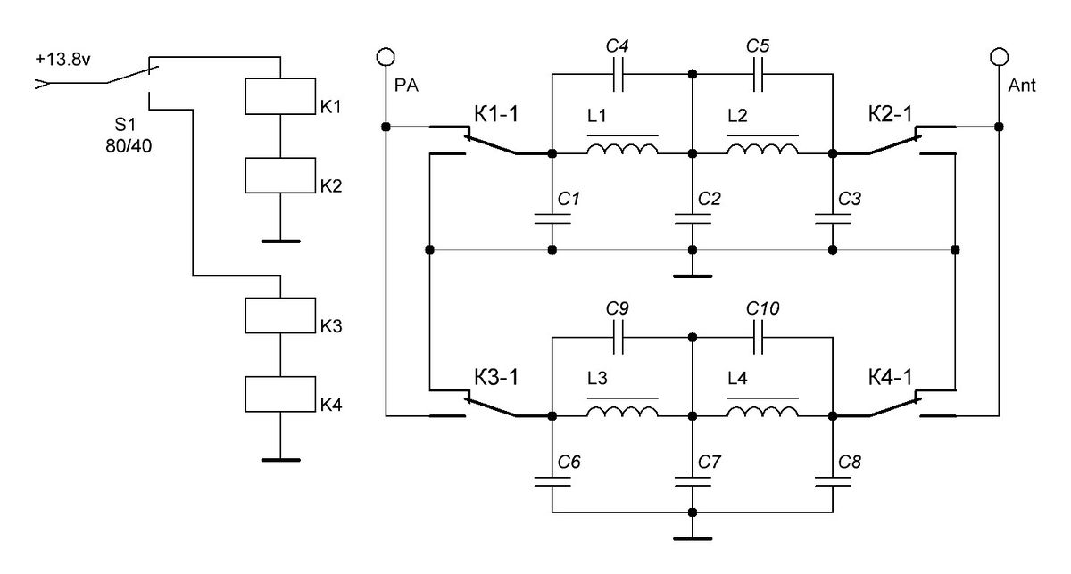
3. фильтры на выходе
4. попробовать линию питания в виде двух проводной линии, между трансивером и линией питания классическое СУ или П-контур как у хоязина ресурса, или что то типа зэт(
S)-матч, кстати интересует вопрос симметрирования с выходом трансивера/усилителя после СУ....
P.S. С согласованным наклонным треугольником, при ~50ватт в SSB несколько дней назад Стив, MM0SJH, дал 58+......
Антенна - лучший усилитель, ТОЧКА!