Технический форум UT2FW
https://forum.ut2fw.com/

2sc2879
https://forum.ut2fw.com/viewtopic.php?f=4&t=170
Страница 1 из 1

Автор:  4X6HP [ 29 окт 2009, 12:09 ]
Заголовок сообщения:  2sc2879

Дядя Саша приветствую,

После трех летнего перерыва, я вернулся в строй, вернулся к паяльнику :))

Просматривая статейки про транзисторные УМы, меня заинтересовала постройка УМа на паре или четверке тразисторов 2sc2879. Интересует практическое применение сих транзисторов в диапозоне 1.8 - 50 Mhz. Что можете посоветовать по этому поводу?

73!!

Автор:  UT2FW [ 29 окт 2009, 17:44 ]
Заголовок сообщения:  Re: 2sc2879

4X6HP писал(а):
Дядя Саша приветствую,
Просматривая статейки про транзисторные УМы, меня заинтересовала постройка УМа на паре или четверке тразисторов 2sc2879. Интересует практическое применение сих транзисторов в диапозоне 1.8 - 50 Mhz. Что можете посоветовать по этому поводу?
73!!
Привет, юноша.
2879 - это транзисторы заявленные производителем для работы на частоте 28МГц -
 Specified 12.5V, 28MHz Characteristics
 Output Power : Po = 100WPEP
 Power Gain : Gp = 13dB
 Collector Efficiency : ηC = 35% (Min.)
 Intermodulation Distortion : IMD = −24dB(Max.) (MIL Standard)
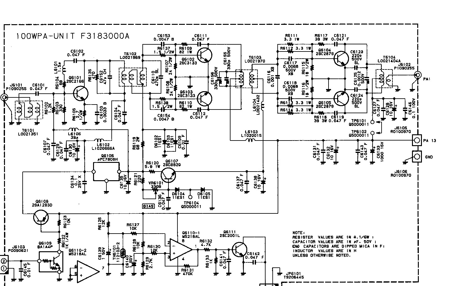
Точнее, не вижу где там производитель давал бы предельную рабочую частоту. Посему предполагаю, что эти транзисторы "напряжно" будут себя вести на 50МГц. Хотя они и используются в TS-450S(690). Можешь поглазеть на final unit TS690 - это тебе руководство к рабочей схемотехнике. Тебе нужно повторить только выходной каскад. На двух транзисторах, думаю, до 150-180Вт можно будет получить, но с завалом выше 35МГц. Ставить 4шт - по этой теме нужно смотреть что получится практически. Т.е. работать будет, но придётся повозиться с подбором трансформаторов и соотношением витков в них. Ну и завал АЧХ раньше начнётся в таком варианте. Не думаю, что удастся больше 300-350Вт выкачать... И дело не в самих транзисторах - для мощностей более 300Вт нужны транзисторы с питанием 24-27В. КПД усилителя в лучшем случае 45-50%. Посему чтобы получить скажем 250Вт - токи будут под 40А и более при 13,8В питании. Для таких токов шнурки потребны "в руку" толщиной.

Кажется Алексей UR3IQY на таких транзисторах делал ШПУ. Нужно его поспрошать.

Вложения:


Автор:  4X6HP [ 29 окт 2009, 17:56 ]
Заголовок сообщения:  Re: 2sc2879

ЗДР,

50MHz - это как опция. Я нашел шему Америтрона АЛС-500М, который использует 4 таких транзистора (два каскада по два транзистора).схему предоставлю чуть позже.

Автор:  UR3IQY [ 30 окт 2009, 08:46 ]
Заголовок сообщения:  Re: 2sc2879

Транзисторы очень хорошие( и очень дорогие). Делал на 2х усилитель, 1,8-30Мгц, максимальная мощность достигала 220ватт, на 50 Мгц будут отдавать максимум половину. Схему именно оконечного брал из Кенвуда 870- см.файл. С четырьмя я бы не советовал связываться, если уж городить сумматор то для большей мощности, да и ток потребления будет под 60А. А это серьезно, тем более, если это первая конструкция транзисторного ум. Транзисторы пользуются спросом тк. стоят в очень многих кенвудах и есу. Если уже их приобрели, то это одно, а если только собираетесь, советовал бы присмотреться к более высоковольтным полевым транзисторам, хоть стареньким, но надежным MRF150 https://www.rell.com/Pages/Product-Detai ... uctId=4949 цена на них вполне адекватная.

Вложения:


Автор:  4X6HP [ 30 окт 2009, 13:34 ]
Заголовок сообщения:  Re: 2sc2879

Пока еже не приобрел, буду покупать в ноябре. Смотрю на http://www.rfparts.com,
цена на MRF150:
MRF150 $49.95 штука
MRF150-MP Matched Pair $125.00 штука

цена на 2SC2879
2SC2879 $25.00 штука
2SC2879-MP Matched Pair $51.90 штука
2SC2879-MQ Matched Quad $103.80 штука

получается за $100 можно взять подобранную пару 2sc2879.

UR3IQY, Вы повторили именно эту схему? Печатку сами делали или заказывали?

Вот здесь схема Америтрона на 500Вт. http://www.ameritron.com/man/pdf/ALS-500M.pdf

Автор:  us5mpt [ 31 окт 2009, 19:27 ]
Заголовок сообщения:  Re: 2sc2879

4X6HP писал(а):
Пока еже не приобрел, буду покупать в ноябре. Смотрю на http://www.rfparts.com,
цена на MRF150:
MRF150 $49.95 штука
MRF150-MP Matched Pair $125.00 штука

цена на 2SC2879
2SC2879 $25.00 штука
2SC2879-MP Matched Pair $51.90 штука
2SC2879-MQ Matched Quad $103.80 штука

получается за $100 можно взять подобранную пару 2sc2879.

UR3IQY, Вы повторили именно эту схему? Печатку сами делали или заказывали?

Вот здесь схема Америтрона на 500Вт. http://www.ameritron.com/man/pdf/ALS-500M.pdf


Немножко ошибаетесь
2SC2879-MP Matched Pair $51.90 - подобраная пара цена за 2 транзистора
2SC2879-MQ Matched Quad $103.80 - подобранная четверка цена за 4 транзистора

Автор:  UT2FW [ 02 ноя 2009, 01:15 ]
Заголовок сообщения:  Re: 2sc2879

us5mpt писал(а):
Немножко ошибаетесь
2SC2879-MP Matched Pair $51.90 - подобраная пара цена за 2 транзистора
2SC2879-MQ Matched Quad $103.80 - подобранная четверка цена за 4 транзистора
Пару "копеек" в тему подобранные. Как и основная масса т.н. "вышедших из совка" - питал розовые надежды по теме порядочности западных поставщиков. А именно - верил в то, что пары или четвёрки транзисторов поставляются подобранными. Заказал, с горем пополам оплатил, жду. Кста - за пересылку янки не хило берут денег. :shock: Получил, таможня как-то "прошляпила" эту посылку - посему отделался лёгким испугом - таможенные + 44% к объявленной стоимости не начислили. Слепо веря в подобранность транзисторов - они были парами запаяны в пакетиках - не стал их проверять - запял в ШПУ пару из пакетика. Настраиваю - работает. Но работает "как-то не так", как мне казалось, что должно было работать. Провозился несколько дней - хотел выжать максимум из этих мрфов - тупо всё как-то и мощи ожидаемой нема... Надоел тот "мазохизм с выжиманием" - отложил ШПУ "вылежаться". Прошло несколько месяцев - видимо правильная "мыслеформа" создалась - думаю, а ну-ка проверю те транзисторы как они там подобраны. Лабработа показала - никто там и не думал те пары подбирать. Благо, разбросы заводские у транзисторов небольшие - видимо на это и "упор" янки сделали - запаивают по два транзистора в пакетик - вот и весь "подбор". :?
По закону Мерфи пара, которую запаял, была с максимальным разбросом. Посему и не "шёл" ШПУ. Не сработал бы "закон Мерфи" - не скоро бы и узнал, как там янки те пары "подбирают".
Думаю понятно, что те цифирки на крылышках у транзисторов, уже не янки рисовали? :wink:

Вложения:


Автор:  UR3IQY [ 02 ноя 2009, 08:46 ]
Заголовок сообщения:  Re: 2sc2879

Повторял именно схему оконечника ( т.е.) два выходных последних транзистора. Драйвер выдавал порядка 4ватт, этого хватало за глаза для раскачки. Два года назад эти транзисторы стоили около 50уе один, но и параметры их были выдающиеся. Быть может, производитель, снизив цену, ограничил их потенциал мощности тем, что указано в спецификации,- вся прелесть 2879 была в огромной надежности и возможности снять мощность как минимум в 1,5 раза больше паспортной. Если уж решитесь собирать на них- будет очень интересно узнать чем дело закончилось. Печатку под тот усилитель делал сам. Схему америтрона видел, как видел и этот аппарат внутри живьем. Свое мнение уже сказал- в америтроне используется схема сложения, если уж городить её, так уж на мошность поболе...Можно обойтись и без нее, если включить транзисторы параллельно, но это реализуемо только для полевых транзисторов :wink: . За основу платки можете взять из творчества UT2FW download/file.php?id=890&mode=view он дядька не жадный, думаю поделится картинкой печатки в пикаде или лэйауте. Насчет подобранных пар- однозначно согласен с UT2FW,- два раза я заказывал, причем даже в communication-concepts и разброс был большой, как на постоянном токе, так и при усилении ВЧ.

Автор:  Алексей RN6LEA [ 12 дек 2011, 18:43 ]
Заголовок сообщения:  Re: 2sc2879

Не знал куда точно вставить появившееся у меня инфо... Думаю здесь оно будет не лишним.
На днях возникла ситуация, требующая замены выходных транзисторов (2SC 2879)выходного каскада
100 Вт ШПУ трансивера kenwood TS-450. Для замены решил использовать 2SC2290. Все выкладки процесса
выкладывать не буду... После замены ничего не меняя в схеме, выставив ток по 200 ма на транзистор, всё заработало как родное.
Даже смещение на базах оказалось такое же как и родных транзисторов.

Страница 1 из 1 Часовой пояс: UTC + 2 часа
Powered by phpBB® Forum Software © phpBB Group
https://www.phpbb.com/