Технический форум UT2FW

Сайт UT2FW | Доска бесплатных объявлений


Текущее время: 24 янв 2026, 16:48

Часовой пояс: UTC + 2 часа




Начать новую тему Ответить на тему  [ Сообщений: 180 ]  На страницу Пред.  1, 2, 3, 4, 5 ... 12  След.
Автор Сообщение
 Заголовок сообщения:
СообщениеДобавлено: 27 янв 2008, 11:11 
Не в сети
Гуру поболтать
Аватара пользователя

Зарегистрирован: 09 ноя 2007, 14:22
Сообщения: 1643
Фотографии: 267
Погодь сносить - после закрытия проверь по всем окнам винды и софта креатива где микрофон может закрыться или выключиться. Если везде микрофон активен но всё равно не слышно - тогда сноси. Т.к. какой-то софт микрофон закрывает и этого не видать в основном софте звука - т.е. Windows и Creative. У меня как-то или аська или скайп такое чудил - дочка выключила микрофон в том софте - никакими способами не удавалось MIC активировать. Сделал откат всей системы в PQDI на год назад, когда ещё у меня не было вариаций разных интернетов, соответственно в компе и софта тех асек-скайпов - микрофон ожил.
Ещё раз к "баранам" - если дядьке интересен комп и его различные возможности, т.е. предполагается в дальнейшем установка различного нового софта, оборудования, прибамбасов и т.д. не касаемо темы SDR - рекомендую прибарахлиться вторым хардом именно под тему SDR.

_________________
Aleksandr


Вернуться к началу
 Профиль Отправить личное сообщение  
Ответить с цитатой  
 Заголовок сообщения:
СообщениеДобавлено: 27 янв 2008, 11:21 
Не в сети
Младший паяльщик
Аватара пользователя

Зарегистрирован: 08 дек 2007, 23:11
Сообщения: 64
Откуда: Volgograd
Александр Юрьевич!
Конкретный вопрос, подразумевает конкренный ответ- "По Вашему ответу понял, что при проигрывании музыки через 2ZS и при вставленном микрофоне я себя услышу на фоне музыки - это так?"


Вернуться к началу
 Профиль Отправить личное сообщение  
Ответить с цитатой  
 Заголовок сообщения:
СообщениеДобавлено: 27 янв 2008, 11:44 
Не в сети
Гуру поболтать
Аватара пользователя

Зарегистрирован: 09 ноя 2007, 14:22
Сообщения: 1643
Фотографии: 267
Уважаемый, повторяю-цитирую для "танкистов" - ..."Свой сигнал от микрофона должен быть и при закрытии, и при открытии, и при включении PowerSDR, и при проигрывании музычки"...
Внимательно читать слабо? :wink:

_________________
Aleksandr


Вернуться к началу
 Профиль Отправить личное сообщение  
Ответить с цитатой  
 Заголовок сообщения:
СообщениеДобавлено: 28 янв 2008, 08:47 
Не в сети
Разбирающийся

Зарегистрирован: 27 дек 2007, 14:18
Сообщения: 238
Всем, доброго дня!
Конечно, применение второй карты в качестве микрофонного
усилителя наиболее простое решение и плюс ко всему позволяет
использоват всякие акустические эффекты (слышал как Александр
Юрьевич это делал в эфире), но все же такое решение мне
кажется не совсем рациональным. Сделать микрофонный
усилитель на одном транзисторе наверно под силу даже
самому начинающему радиолюбителю. Встроить его в корпус
СДРа тоже легко, благо места там достаточно, а вторую звуковую
карту освобождаем для цифровых видов работы.
Юрий.


Вернуться к началу
 Профиль Отправить личное сообщение  
Ответить с цитатой  
 Заголовок сообщения:
СообщениеДобавлено: 28 янв 2008, 15:05 
Не в сети
Гуру поболтать
Аватара пользователя

Зарегистрирован: 09 ноя 2007, 14:22
Сообщения: 1643
Фотографии: 267
rv3dlx писал(а):
...Конечно, применение второй карты в качестве микрофонного усилителя наиболее простое решение и плюс ко всему позволяет использоват всякие акустические эффекты (слышал как Александр Юрьевич это делал в эфире), но все же такое решение мне
кажется не совсем рациональным. Сделать микрофонный усилитель на одном транзисторе наверно под силу даже самому начинающему радиолюбителю. Встроить его в корпус СДРа тоже легко, благо места там достаточно, а вторую звуковую карту освобождаем для цифровых видов работы. Юрий.

Юрий, было не плохо, если бы ты выложил схемку усилка хотя бы нарисованную от руки. Не в плане, что это что-то сложное или простое - иногда проще "тупо" повторить, нежели подбирать номиналы даже в такой простой схемке.

_________________
Aleksandr


Вернуться к началу
 Профиль Отправить личное сообщение  
Ответить с цитатой  
 Заголовок сообщения:
СообщениеДобавлено: 29 янв 2008, 08:59 
Не в сети
Разбирающийся

Зарегистрирован: 27 дек 2007, 14:18
Сообщения: 238
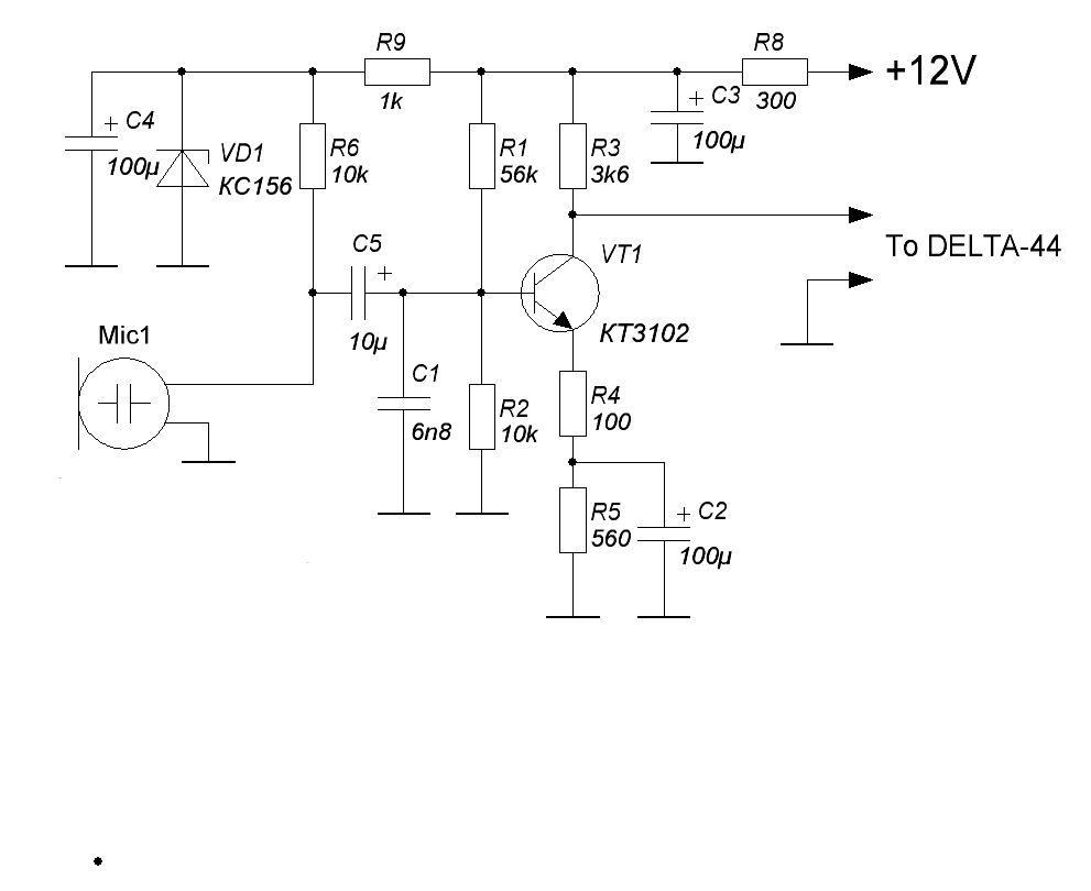
Пожалуйста, вот схема которую я сделал себе и своему приятелю.
Работает в СДРах с Дельтой. Испоьзуются электретные микрофоны.
Юрий.


Вложения:

Вернуться к началу
 Профиль Отправить личное сообщение  
Ответить с цитатой  
 Заголовок сообщения:
СообщениеДобавлено: 29 янв 2008, 09:02 
Не в сети
Разбирающийся

Зарегистрирован: 27 дек 2007, 14:18
Сообщения: 238
Извините, забыл нарисовать электролитик на выходе, он должен
быть около 10 микрофарад и идти плюсом к коллектору.
Юрий.


Вернуться к началу
 Профиль Отправить личное сообщение  
Ответить с цитатой  
 Заголовок сообщения:
СообщениеДобавлено: 29 янв 2008, 13:06 
Не в сети
Гуру поболтать
Аватара пользователя

Зарегистрирован: 09 ноя 2007, 14:22
Сообщения: 1643
Фотографии: 267
Ага, Юрий, пасибки за схемку. У народу меньше проблем вопросных будет.
По теме дополнительной звуковой карты ты прав. Я только из-за софта от Креатива её и пользую. Т.к. пробовал несколько автономных разных программ обработки звука - честно признаться, тааакая фигня в сравнении с софтом от Креатива. Не забывай ещё о том, что и загрузка компа будет больше, скорее всего, с автономным софтом. Да и ещё как он там подружится и с PowerSDR, и со звуковой картой - под вопросом. Для моих условий приёма можно в "экономном режиме" спокойно оставить одну 2ZS - явного проигрыша в приёме в сравнении с Дельтой не будет.

_________________
Aleksandr


Вернуться к началу
 Профиль Отправить личное сообщение  
Ответить с цитатой  
 Заголовок сообщения:
СообщениеДобавлено: 29 янв 2008, 13:45 
Не в сети
Разбирающийся

Зарегистрирован: 27 дек 2007, 14:18
Сообщения: 238
Александр, привет!
Я уже наверно писал, что тоже не замечаю большой разницы в
работе Дельты и Аудиги, разница только в том как они терпят
большие сигналы. Мои знакомые радиолюбители загорелись
идеей СДР и уже второй ждет получения аппарата от тебя.
Уже просит меня сделать и ему микрофонный усилитель, т. к.
уже купил Дельту. Так же увидев у меня то, что я выбросил
внешний блок Дельты, уже ищет 9-ти пиновый разъем, что бы
поставить его в корпус еще не полученного трансивера. HI-HI!
Юрий.
P.S. Мне понравилось как у тебя получился двухплатный
вариант.


Вернуться к началу
 Профиль Отправить личное сообщение  
Ответить с цитатой  
 Заголовок сообщения:
СообщениеДобавлено: 29 янв 2008, 14:29 
Не в сети
Гуру поболтать
Аватара пользователя

Зарегистрирован: 09 ноя 2007, 14:22
Сообщения: 1643
Фотографии: 267
У меня пока грабли с установкой миксера для 2ZS. PowerSDR ругается и требует установки последних дров на миксер. Покопался в нете - инфы масса, вплоть до полного пакета дров от не официального писателя софта для этой карты - http://nomoregoatsoup.wordpress.com/200 ... -3264-bit/
Но там объёмы файлов не переваримы для моего инета. Возможно появится шанс скачать те дрова - тогда и можно будет пробовать. Посему пока притормозил полный переход на 2ZS. Тем более, что нужно апгрейд системному блоку сделать. Ну и Дельта 66 как "танк" (выражение Сергея RW3PS) работает - абсолютно безглючно. Как говорится - "от добра добра не ищут"...
Заказал ещё пару разных звуковых карт для пробы - проверю их и тогда вже буду принимать решение на какой остановиться.
По теме двухплатного - если есть в этом плане какие-то "мысли" - мыль на емелю. :wink:

_________________
Aleksandr


Вернуться к началу
 Профиль Отправить личное сообщение  
Ответить с цитатой  
 Заголовок сообщения:
СообщениеДобавлено: 29 янв 2008, 16:10 
Не в сети
Частый посетитель
Аватара пользователя

Зарегистрирован: 22 ноя 2007, 18:21
Сообщения: 19
Откуда: Ярославль
2 UT2FW.
Александр здравствуйте.
Еще раз убеждаюсь,насколько мал наш НАМ-ский мир.Слышал,Вы
ждете комплект Ози-Янус-Атлас.Надеюсь дадите info по сему
девайсу.Сам недавно заказал такой комплект,поэтому будет
интересно знать,что ждать от него.
73!rx3mb


Вернуться к началу
 Профиль Отправить личное сообщение  
Ответить с цитатой  
 Заголовок сообщения:
СообщениеДобавлено: 30 янв 2008, 11:39 
Не в сети
Разбирающийся

Зарегистрирован: 27 дек 2007, 14:18
Сообщения: 238
Да, действительно Delta-44 работает совершенно без проблем.
Звонил мне приятель ожидающий СДР и просил спаять шнурки
для Дельты, так я подумал, что для радиолюбителей которые
используют Дельту и хотят работать без ее внешнего блока
достаточно спаять шнурок на одном конце которого стоит
15-ти пиновый разъем подключаемый к карте, а на другом
3.5мм джеки, подключаемые к соответствующим разъемам СДРа.
При этом не нужно ставить дополнительный разъем на корпус
СДРа и уменьшается количество переходов в сигнальных
цепях, да и шнурок можно сделать не такой длинный и жесткий.
Юрий.


Вернуться к началу
 Профиль Отправить личное сообщение  
Ответить с цитатой  
 Заголовок сообщения:
СообщениеДобавлено: 31 янв 2008, 01:03 
Не в сети
Младший паяльщик
Аватара пользователя

Зарегистрирован: 08 дек 2007, 23:11
Сообщения: 64
Откуда: Volgograd
Приобрёл D-44, дополнительная коробочка на столе,кабель соединения толстый - не понравилось. Взял и переделал. Если использовать вторую звуковку в связке с D-44, то к SDR будет подходить всего два "шнурка". Цепочка из конденсатора и резистора в внешнем блоке используется при применении стерео штекера и соединяет средний вывод штекера с корпусом.


Вложения:


Вернуться к началу
 Профиль Отправить личное сообщение  
Ответить с цитатой  
 Заголовок сообщения:
СообщениеДобавлено: 31 янв 2008, 11:34 
Не в сети
Присоединившийся

Зарегистрирован: 26 янв 2008, 21:15
Сообщения: 5
Здравствуйте Александр Юрьевич. Маленький Вопросик. Пробую запустить с SDR звуковую Creative Sound Blaster Audigy , при установке в софте SDRа он ругается , что не установлен PCI драйвер для этой карты.(Драйвера установил вроде все). Наверное , что-то не так я делаю? :?:

_________________
Сергей 73!


Вернуться к началу
 Профиль Отправить личное сообщение  
Ответить с цитатой  
 Заголовок сообщения:
СообщениеДобавлено: 01 фев 2008, 03:57 
Не в сети
Младший паяльщик
Аватара пользователя

Зарегистрирован: 08 дек 2007, 23:11
Сообщения: 64
Откуда: Volgograd
Сергей!
Поподробней можно, у меня "мама" P5B, драйвера к 2ZS устанавливаются "не просто", но ставятся. Миксер, эквалайзер и остальное всё стоит и не разу Power SDR не ругнулась. Сейчас "на борту" 3 звуковки, интегрированная, 2ZS и D-44 - все дружат. Могу слушать SDR трансивер UT2FW и SDR приёмник одновременно.


Вернуться к началу
 Профиль Отправить личное сообщение  
Ответить с цитатой  
Показать сообщения за:  Поле сортировки  
Начать новую тему Ответить на тему  [ Сообщений: 180 ]  На страницу Пред.  1, 2, 3, 4, 5 ... 12  След.

Часовой пояс: UTC + 2 часа


Кто сейчас на конференции

Сейчас этот форум просматривают: нет зарегистрированных пользователей и гости: 22


Вы не можете начинать темы
Вы не можете отвечать на сообщения
Вы не можете редактировать свои сообщения
Вы не можете удалять свои сообщения
Вы не можете добавлять вложения

Перейти:  
cron