Технический форум UT2FW

Сайт UT2FW | Доска бесплатных объявлений


Текущее время: 18 окт 2025, 14:24

Часовой пояс: UTC + 2 часа




Начать новую тему Ответить на тему  [ Сообщений: 155 ]  На страницу Пред.  1, 2, 3, 4, 5 ... 11  След.
Автор Сообщение
СообщениеДобавлено: 13 май 2010, 12:40 
Не в сети
Частый посетитель

Зарегистрирован: 29 сен 2008, 09:57
Сообщения: 17
Я бы кнопки 0,5-4x перенес на шильдик под панарамой вместо bci bin, первый движок уменьшил по размеру и на то место перенес окно выбора панорамы и кнопки stx, avg, peaк, fill.
Кнопки и движки Transmit Profile в нижний левый угол добавить к ним движок Drive.
В правом углу два шильдика в одном поместить кнопки полос, но желательно под VAR1, VAR2 хотя бы окна LOW, HIGH ,желательно видеть цифры полосы приема, левее во втором шильдике обЪединить кнопки: NR-SR, BCI, BIN, дальше левее движки: AF, AGC-T и движки второго приемника и AGC, Preamp.
Скорее всего там останется место и для кнопок расстройки.
Желательно вверху вернуть кнопки: VFO Lock, Save, Restore.
Желательно панараму вертикально расширить немного скудновато выглядит после старой.
Старые версии слетели при установке как и у других.
При опускании в трей винда ругается требует закрыть программу.
Неадекватно пока работает кнопка расширения окна теряются пропорции вида.
Успехов, Александр.


Вернуться к началу
 Профиль  
Ответить с цитатой  
СообщениеДобавлено: 13 май 2010, 13:14 
Не в сети
Полноправный участник

Зарегистрирован: 18 янв 2009, 22:56
Сообщения: 48
Можно сделать такую кнопку, что бы была возможность возвращаться назад, к примеру на пять пунктов? То есть программа должна запоминать все последние пять действий. Другой раз что то нажал и потерял частоту (корреспондента), а так "откатился" назад и все в порядке ro-30 .

_________________
Александр UX5IW


Вернуться к началу
 Профиль Отправить личное сообщение  
Ответить с цитатой  
СообщениеДобавлено: 13 май 2010, 18:00 
Не в сети
Гуру поболтать
Аватара пользователя

Зарегистрирован: 09 ноя 2007, 14:22
Сообщения: 1643
Фотографии: 267
Llll писал(а):
Можно сделать такую кнопку, что бы была возможность возвращаться назад, к примеру на пять пунктов? То есть программа должна запоминать все последние пять действий. Другой раз что то нажал и потерял частоту (корреспондента), а так "откатился" назад и все в порядке ro-30 .
Ежлиб уважаемый Llll поддерживал своего производителя и начав алёкать на настоящем радио в эфире, а именно - трансивере "Дунай" - тогда бы ты знал, что та кнопка обзывается "Стек". В "Дунае" Стек имеет 8 ячеек - это много - память человеческая обычно помнит не более 4-5 "пунктов" - здесь ты прав. Если делать стековую память, то не более 5-ти ячеек. Полезная кнопка, поддерживаю - проверено временем...
При установке DnSDR в моём компе ничего не слетело. Скорее всего, что и слетать то нечему - запускаю несколько версий PSDR прямо из папок софта.

_________________
Aleksandr


Вернуться к началу
 Профиль Отправить личное сообщение  
Ответить с цитатой  
СообщениеДобавлено: 13 май 2010, 18:55 
Не в сети
Разбирающийся

Зарегистрирован: 27 дек 2007, 14:18
Сообщения: 238
Дядя Саша, привет!
У меня стояли 3 разных PowerSDR, все они слетели после установки этой программы. Это конечно не страшно, все восстановил, но все же...
Программа довольно интересная, если будет дальнейшее развитие всем будет только лучше. Так что автору успехов!
Юрий.


Вернуться к началу
 Профиль Отправить личное сообщение  
Ответить с цитатой  
СообщениеДобавлено: 14 май 2010, 09:58 
Не в сети
Гуру поболтать
Аватара пользователя

Зарегистрирован: 09 ноя 2007, 14:22
Сообщения: 1643
Фотографии: 267
RN3QMP писал(а):
Прогу перезалил, а то и впраду на сворачивание ругалась. Пока оставлю как есть, и не спеша буду раскидывать, а то того...
Чёттт не проканало обновлением... ругнулось, что типа: "устанавливаете более древнюю версию". Пришлось предыдущую из панели винды удалить и заново залить обновки. Пока тестирую... вродь нормально.
Мысли вслух. Как на мой вкус - зелёный цвет везде - скучновато. Дорожка панорамы зелёная, панель зелёная... прям как вся наша житухо... :-?
Скорее всего интереснее на "разнообразии" выехать. К примеру - панель почти чёрного цвета - можно зелёный или фиолетовый за "базу" брать, но максимально тёмный - почти чёрный. Окно панорамы иного цвета чем панель, чуть только светлее. Можно "тональность" чуток осветлить книзу или кверху. Линия дорожки АЧХ светлого цвета, тот же светло-зелёный или светло-голубой. Только не белый. Заполнение Fill тем же цветом, что и дорожка, но темнее. Хотя, если предполагается введение возможности самостоятельной раскраски - тогда все эти рюшечки на данном этапе побоку...

_________________
Aleksandr


Вернуться к началу
 Профиль Отправить личное сообщение  
Ответить с цитатой  
СообщениеДобавлено: 15 май 2010, 09:05 
Не в сети
Гуру поболтать
Аватара пользователя

Зарегистрирован: 09 ноя 2007, 14:22
Сообщения: 1643
Фотографии: 267
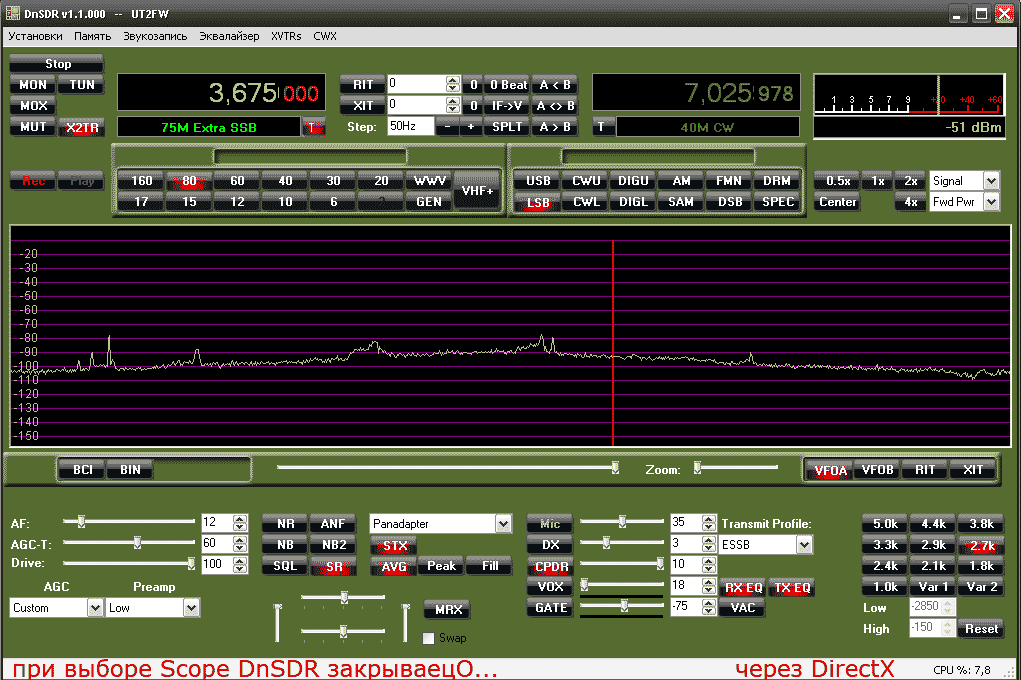
Скрин DnSDR при FPS=20 и вкл. DirectX.
Когда выбираю Scope - закрывается софтина, глючок.
Кароч - фурычит!
Комп не дюжо крутой - 1ГБ ОЗУ, коре-дуо 2,5ГГц.


Вложения:


_________________
Aleksandr
Вернуться к началу
 Профиль Отправить личное сообщение  
Ответить с цитатой  
СообщениеДобавлено: 15 май 2010, 11:16 
Не в сети
Присоединившийся

Зарегистрирован: 16 дек 2007, 06:53
Сообщения: 4
Откуда: Ust-Kut
Здравствуйте!
У меня есть небольшое пожелание ввести Panadapter Size in Pan/Waterfall display как в версии 1.10.4 svn.1826
С уважением RZ0SI. 73!


Вернуться к началу
 Профиль Отправить личное сообщение  
Ответить с цитатой  
СообщениеДобавлено: 17 май 2010, 17:52 
Не в сети
Присоединившийся

Зарегистрирован: 05 май 2009, 16:17
Сообщения: 4
UT2FW писал(а):
Кароч - фурычит!


Таки да. Вона куда гн. Буганов делся ro-14 . Как насчет Unsupported Card ?


Вернуться к началу
 Профиль Отправить личное сообщение  
Ответить с цитатой  
СообщениеДобавлено: 18 май 2010, 16:14 
Не в сети
Присоединившийся

Зарегистрирован: 05 май 2009, 16:17
Сообщения: 4
Сделать как в "коробке" переключение входа на микрофон в режиме передачи с любой звуковой картой. Не все же приобретают у дяди Саши трансивер с системным блоком .


Вернуться к началу
 Профиль Отправить личное сообщение  
Ответить с цитатой  
СообщениеДобавлено: 19 май 2010, 14:36 
Не в сети
Гуру поболтать
Аватара пользователя

Зарегистрирован: 09 ноя 2007, 14:22
Сообщения: 1643
Фотографии: 267
Некоторые картинки тестирования...
Здесь сравнение при максимальном (на весь монитор 1680х1050) размере PSDR. Версия v1.15.0 обычно не превышает загрузку 40%, но на этот раз что-то "грузанула" аж на 50%. :shock:
Интересный момент - DnSDR практически не изменяет загрузку при изменении размера. Позже выложу сравнительные картинки разных PSDR с минимального размера "экранами".


Вложения:

Комментарий к файлу: Эта версия что-то при раскрытии на весь монитор много загрузки дала.



_________________
Aleksandr
Вернуться к началу
 Профиль Отправить личное сообщение  
Ответить с цитатой  
СообщениеДобавлено: 19 май 2010, 21:18 
Не в сети
Гуру поболтать
Аватара пользователя

Зарегистрирован: 09 ноя 2007, 14:22
Сообщения: 1643
Фотографии: 267
Картинки загрузки разных версий PSDR в минимального размера окне.


Вложения:






_________________
Aleksandr
Вернуться к началу
 Профиль Отправить личное сообщение  
Ответить с цитатой  
СообщениеДобавлено: 21 май 2010, 05:21 
Не в сети
Гуру поболтать
Аватара пользователя

Зарегистрирован: 09 ноя 2007, 14:22
Сообщения: 1643
Фотографии: 267
С добавлением "объема" для панорамы загрузка проца колеблется от 3,1 до 7,8%.


Вложения:


_________________
Aleksandr
Вернуться к началу
 Профиль Отправить личное сообщение  
Ответить с цитатой  
Показать сообщения за:  Поле сортировки  
Начать новую тему Ответить на тему  [ Сообщений: 155 ]  На страницу Пред.  1, 2, 3, 4, 5 ... 11  След.

Часовой пояс: UTC + 2 часа


Кто сейчас на конференции

Сейчас этот форум просматривают: нет зарегистрированных пользователей и гости: 50


Вы не можете начинать темы
Вы не можете отвечать на сообщения
Вы не можете редактировать свои сообщения
Вы не можете удалять свои сообщения
Вы не можете добавлять вложения

Перейти:  
cron