Технический форум UT2FW

Сайт UT2FW | Доска бесплатных объявлений


Текущее время: 01 ноя 2025, 04:58

Часовой пояс: UTC + 2 часа




Начать новую тему Ответить на тему  [ Сообщений: 25 ]  На страницу Пред.  1, 2
Автор Сообщение
 Заголовок сообщения: Re: модуляция и ALC в PowerSDR
СообщениеДобавлено: 19 ноя 2010, 08:55 
Не в сети
Старший паяльщик
Аватара пользователя

Зарегистрирован: 28 ноя 2007, 16:02
Сообщения: 104
Откуда: Москва
Позывной: RA3AJD
Имя: Сергей
Значит это просто удачное совпадение. По замерам PWR чётко совпадает с показаниями показометра в "PowerSDR". Но вот странное дело, это только в SDR 1W а в DN-100 уже ничего не показывает в программе.

_________________
73! Сергей (RA3AJD)


Вернуться к началу
 Профиль Отправить личное сообщение  
Ответить с цитатой  
 Заголовок сообщения: Re: модуляция и ALC в PowerSDR
СообщениеДобавлено: 19 ноя 2010, 09:15 
Не в сети
Присоединившийся

Зарегистрирован: 28 фев 2008, 15:29
Сообщения: 7
В оригинале SDR-1000 100w, мощность и SWR уже измеряются железом.
В DN-100 это видимо не предусмотрено.

_________________
---
Сергей RW3PS


Вернуться к началу
 Профиль Отправить личное сообщение  
Ответить с цитатой  
 Заголовок сообщения: Re: модуляция и ALC в PowerSDR
СообщениеДобавлено: 21 ноя 2010, 10:08 
Не в сети
Освоившийся

Зарегистрирован: 26 окт 2010, 14:19
Сообщения: 23
Позывной: ly3e
Имя: Valdas
СТОП! Я спрашывал совета по поводу шумов в паузах, как отключить этот автомат усиление микрофонного сигнала в новых врсиях PowerSDR, а как там измерияется PWR даже мне ясно :)


Вернуться к началу
 Профиль Отправить личное сообщение  
Ответить с цитатой  
 Заголовок сообщения: Re: модуляция и ALC в PowerSDR
СообщениеДобавлено: 21 ноя 2010, 11:13 
Не в сети
Присоединившийся

Зарегистрирован: 28 фев 2008, 15:29
Сообщения: 7
У меня явных шумов в паузах нет.
Если контролировать уровень микрофона по TX Meter - Mic, то при максимально громких звуках индикатор
доходит до нуля или чуть дальше залетает, уровень шума в паузах при этом практически на минимуме (одно деление).
Конечно их можно получить накрутив усиление микрофонного тракта, но этого делать не надо.
Mic Boost в настройках аудио не активирую, Leveler не более 6дБ.
В E-MU микрофонный вход есть или только линейные?
В последнем случае внешний микрофонный усилитель используется или микрофон на линейном входе ЗК висит?
Не пытайтесь добиться в SSB, при обычной речи, выходной мощности по индикатору PowerSDR близкой к тональнику.

_________________
---
Сергей RW3PS


Вернуться к началу
 Профиль Отправить личное сообщение  
Ответить с цитатой  
 Заголовок сообщения: Re: модуляция и ALC в PowerSDR
СообщениеДобавлено: 21 ноя 2010, 11:50 
Не в сети
Освоившийся

Зарегистрирован: 26 окт 2010, 14:19
Сообщения: 23
Позывной: ly3e
Имя: Valdas
Да, я понял, нет пока во всем хорошо работающей PoweSDR версии. В новых версиях у менья слишком мала выходная мошность, повысив уровень микрофонного сигнала, вылезает скачкообразно шумы на паузах, а мошность невырастает более 200мВт в ССБ ( внешний показометр!!!). Нашел версию, с мошностю и шумами все в норме, но гючит графика. Такова реальность с PowerSDR.
ЗК e-mu 1616m очень хорошая картогка для СДР, лучше чем Roland edirol, ЦАП- АЦП лучше. Есть там микрофонные балансные и не балансние входы с усилением.


Вернуться к началу
 Профиль Отправить личное сообщение  
Ответить с цитатой  
 Заголовок сообщения: Re: модуляция и ALC в PowerSDR
СообщениеДобавлено: 23 ноя 2010, 10:32 
Не в сети
Разбирающийся

Зарегистрирован: 27 дек 2007, 14:18
Сообщения: 238
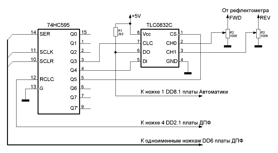
Меня часто в письмах спрашивают, как приделать к СДРу АЦП для вывода показаний мощности и КСВ на экран комьпьютера. Вот нарисовал схемку применительно для трехплатной версии СДРа от UT2FW. Думаю дядя Саша не будет против, что я ее здесь разместил.
Юрий.


Вложения:

Вернуться к началу
 Профиль Отправить личное сообщение  
Ответить с цитатой  
 Заголовок сообщения: Re: модуляция и ALC в PowerSDR
СообщениеДобавлено: 23 ноя 2010, 15:26 
Не в сети
Освоившийся

Зарегистрирован: 21 сен 2008, 14:17
Сообщения: 24
Позывной: UT1AA
Имя: Александр
Где АЦП покупали?
Может аналог есть?


Вернуться к началу
 Профиль Отправить личное сообщение  
Ответить с цитатой  
 Заголовок сообщения: Re: модуляция и ALC в PowerSDR
СообщениеДобавлено: 23 ноя 2010, 18:55 
Не в сети
Разбирающийся

Зарегистрирован: 27 дек 2007, 14:18
Сообщения: 238
Задайте поиск например на efind.ru, много где продают. Есть аналог ADC0832, но насколько помню аналог функциональный, распиновка отличается (нужно проверить).
Юрий.
P.S. Проверил, ADC0832 аналог и функциональный и по ногам, так же аналоги ADC082S021, ADC082S051, ADC082S101.


Вернуться к началу
 Профиль Отправить личное сообщение  
Ответить с цитатой  
 Заголовок сообщения: Re: модуляция и ALC в PowerSDR
СообщениеДобавлено: 24 ноя 2010, 12:45 
Не в сети
Освоившийся

Зарегистрирован: 21 сен 2008, 14:17
Сообщения: 24
Позывной: UT1AA
Имя: Александр
Спасибо!


Вернуться к началу
 Профиль Отправить личное сообщение  
Ответить с цитатой  
 Заголовок сообщения: Re: модуляция и ALC в PowerSDR
СообщениеДобавлено: 25 ноя 2010, 10:52 
Не в сети
Разбирающийся

Зарегистрирован: 27 дек 2007, 14:18
Сообщения: 238
Дополнение к вышеприведенной схеме: в своем трехплатном варианте СДРа дядя Саша предусмотрительно развел места под регистры и дешифратор (DD2, DD4, DD6, DD9, DD13), но эти элементы как правило не устанавливаются, т.к. на плате ДПФ есть аналоги некоторых этих микросхем, кроме аналога DD9, вот как раз эта микросхема и выдает сигналы для управления АЦП. Поэтому для желающих добавить АЦП в подобный аппарат, нужно на плату Автоматики установить микросхемы DD9 и DD13 для получения управляющих сигналов АЦП. То что Александр развел на плате этот узел, может сильно помочь самодельщикам которые делают СДР имея только плату автоматики и плату TRX, а остальные узлы применяют свои. С вышеупомянутых регистров можно получить весь необходимый набор управляющих сигналов для ДПФ, ФНЧ, УМ, АЦП и автоматического антенного тюнера.
Юрий.


Вернуться к началу
 Профиль Отправить личное сообщение  
Ответить с цитатой  
Показать сообщения за:  Поле сортировки  
Начать новую тему Ответить на тему  [ Сообщений: 25 ]  На страницу Пред.  1, 2

Часовой пояс: UTC + 2 часа


Кто сейчас на конференции

Сейчас этот форум просматривают: нет зарегистрированных пользователей и гости: 29


Вы не можете начинать темы
Вы не можете отвечать на сообщения
Вы не можете редактировать свои сообщения
Вы не можете удалять свои сообщения
Вы не можете добавлять вложения

Перейти:  
cron