Технический форум UT2FW

Сайт UT2FW | Доска бесплатных объявлений


Текущее время: 31 янв 2026, 10:53

Часовой пояс: UTC + 2 часа




Начать новую тему Ответить на тему  [ Сообщений: 7 ] 
Автор Сообщение
 Заголовок сообщения: Подключение СДР-а.
СообщениеДобавлено: 13 июл 2008, 21:17 
Не в сети
Гуру поболтать
Аватара пользователя

Зарегистрирован: 09 ноя 2007, 14:22
Сообщения: 1643
Фотографии: 267
Открыл отдельную ветку по теме подключения СДРа, т.к. форум уже разросся, что и за один вечер всё не перечитаешь, дабы найти требуемую инфо.
В разных ветках форума давал инфо по различным вопросам подключения, соберу всё в одну ветку, чтобы не рыться в поиске. Тем более, что предоставление информации в варианте форума очень удобно тем, что возможна оперативная обратная связь.
Буду благодарен за инфо по теме ошибок, если таковые обнаружатся в схемах-монтажках-описаниях.

Начну с варианта СДР 1Вт без корпуса.
Описание разъёмов соответствует ниже приведённой картинке.
На фото указаны:

1.Верхняя плата – это плата ДПФов. На ней байонетный разъём ANT – подключение антенны или соединение с внешним УМ. Разъём XS2 – подача питания отдельно на плату (слева шпинёк это плюс, правый – минус). Можно подавать 15-16В нестабилизированного напряжения – на плате установлены два дополнительных стабилизатора на 12В и на 5В. Этот разъём будет полезен для сторонников запитки СДРа от отдельных многополярных источников питания, т.е. +-15В, +12В, +5В на плату "Автоматика" и на этот разъём можно будет подать не стабилизированное напряжение для источника +12В.
2.Плата в середине – это плата TRX.
а.CW – подключение телеграфного ключа – джек папа 3,5мм стерео – два выхода – замыкаем на корпус – один вывод получаем серию тире, второй вывод – серию точек.
б.Line OUT – вот тут внимание! – обозначил его так, как он и обозначается на звуковой карте при соединении этого разъёма со звуковой картой. Это вход передатчика. Не забывайте, что на славянской территории мы называем все «тумблера» на стенках квартир выключателями, а американцы и вся остальная «цивилизация» эти тумблера называют включателями. Посему – чтобы не возникло разночтений в различных описаниях и все обозначения в моем варианте SDR совпадали в названиях с аналогичными разъёмами на SDR-ах иных производителей – называю их так, как они названы в американской версии SDR-а. Этот вход соединяем с линейным выходом звуковой платы. А американцы пишут TO LINE OUT, т.е. «на линию выход» - по иному – «соединить с выходом». По нашему этот разъём бы назывался «линейный вход».
в.Speaker – этот разъём подключен параллельно разъёму Line OUT контактами реле К3. В режиме передачи он обеспечивает «самопрослушивание» - т.е. чего у нас идёт со звуковой карты в передатчик SDR-а. В режиме приёма этот разъём контактами реле «садится» на землю, дабы не возникло акустической связи. Чтобы не сильно шунтировать эту цепь - желательно использовать для самопрослушивания телефоны с максимальным сопротивлением. Хотя в PowerSDR есть режим MON и можно самопрослушивание осуществлять через софт, но на этом разъёме мы услышим именно тот сигнал, который поступает в тракт передачи СДРа - т.е. крутим установки в PowerSDR и слушаем себя, что мы там накрутили.
г.Line IN – соединяем с одноимённым разъёмом на звуковой карте. Т.е. это выход ПЧ 12,5кГц приёмника SDR-а («линейный выход»). Важно правильно соединить шнурки каналов I-Q со входами звуковой карты. Как проверить? Просто – если не получается подавить зеркальный канал – скорее всего перепутаны местами эти шнурки.
д.MIC – микрофон. Этот разъём подключен параллельно разъёму XS4. Соединяем его с микрофонным входом звуковой платы, если он будет задействован у вас.
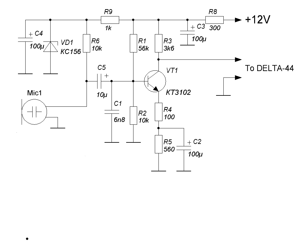
е.XS4 – разъём для микрофона с тангентой. Так называемой «мыльницы» или микрофона с кнопкой «приём-передача» на нём. Т.е. в американском варианте SDR-а на корпусе трансивера есть разъём для подключения такого микрофона. Тот разъём соединяется внутри SDR-а кабелем с разъёмом XS4. Вот такая «американская заморочка» с микрофонными разъёмами была оставлена при разводке платы, для желающих полностью скопировать американскую версию. Т.е. на корпусе крепим разъём для микрофона, который соединяем с разъёмом XS4 и выводим на звуковую карту с разъёма MIC. Чем это удобно? Кнопка РТТ у вас в руках. Не нужно выводить дополнительный шнурок на педаль TX-RX. В случае если вы не пользуетесь кнопкой РТТ на микрофоне, а работаете только педалью – тогда из разъёма XS4 можно вывести шнурок на педаль. Земля на микрофон пин №2 и общая земля платы пин №3 разделены. Следует это учитывать, если задумаете использовать разъём XS4 для вывода шнурка педали. Как вариант, при использовании звуковой карты, для которой требуется дополнительный микрофонный усилитель, например Дельта 44 (66), можно в корпусе СДРа установить дополнительный микрофонный усилитель (схема ниже, tnx RV3DLX), вывести его на разъём XS4 и через джек MIC соединить со звуковой картой.
3.Нижняя плата – это плата «Автоматики». Слева разъём J1 – разъём стабилизированного питания 13,8-14,2В. В принципе, можно подавать и не стабилизированное, т.к. используются внутренние стабилизаторы DA1,DA3 на 5В и 12В. Но желательно ограничить максимальное напряжение на этом входе 14,2В. Т.к. стабилизаторы достаточно (особенно DA1) греются из-за большого падения напряжения на них. Посему – при подаче нестабилизированного напряжения при бросках напряжения в сети возможен перегрев стабилизаторов.
Разъём EXT Control – это разъём для подключения внешней различной периферии. Распиновку это разъёма – смотрим в американских мануалах оператора. У плат выпуска позже февраля 2008г. пин №13 соединён со стоком мощного полевого транзистора, который открывается при переводе СДРа в режим ТХ. Т.е. этот полевик служит для коммутации внешнего УМа. Более подробно по этому полевику читаем на страничке http://www.ut2fw.com/phpBB2/viewtopic.p ... sc&start=0 пост от Пт Янв 25, 2008г. и ещё немного здесь - http://www.ut2fw.com/phpBB2/viewtopic.php?t=3&start=90 пост от Вс Июл 06, 2008г. В зависимости от версии СДРа и потребности - в некоторых этот ключ не устанавливается.
Разъём LPT – по этому разъёму идёт всё управление SDR-ом от компьютера. Соединяем его с одноимённым разъёмом (принтерным) на системном блоке компьютера качественным (!) шнурком. Что такое «качественный»? Это как правило толстый кабель в котором многожильные проводки в хорошем экране. Есть достоверная информация от пользователей этой техники о том, что хилый кабель снижает пороговую чувствительность приёмника и ухудшает его помехозащищённость. Разъёмы этого кабеля – спаиваем одноимённые пины в разъёмах. Т.е. №1 в маме с №1 в папе, №2 мамы с №2 папы и т.д. Пины №18-25 на корпусе. Ниже смотрим схему распайки. Напомню - для "ленивых" дядя Саша сделал запас таких кабелей, т.е. при потребности можно обращаться, см. - http://www.ut2fw.com/phpBB2/viewtopic.php?t=23


Вложения:
Комментарий к файлу: Подключение шнурков к СДРу.

Комментарий к файлу: Микрофонный усилок к дельте от RV3DLX

Комментарий к файлу: Версия распайки "правильного" LPT кабеля для СДРа.


_________________
Aleksandr
Вернуться к началу
 Профиль Отправить личное сообщение  
Ответить с цитатой  
 Заголовок сообщения:
СообщениеДобавлено: 14 июл 2008, 16:23 
Не в сети
Гуру поболтать
Аватара пользователя

Зарегистрирован: 09 ноя 2007, 14:22
Сообщения: 1643
Фотографии: 267
В продолжение темы подключения различных версий СДР от UT2FW. Теперь вариации подключения СДРов 1Вт в корпусе.
Отработаны два варианта корпуса. См. ниже фото. В обеих вариантах используются трёхплатные версии СДР, посему расположение разъёмов на задней панели одинаково. Подключение и наименование разъёмов на платах аналогично СДРу без корпуса.
Дополнительно введены разъёмы:
а) корпус с тумблерами и разъёмом на передней панели -
Разъём на передней панели: №2-корпус, №3-педаль. Замыкаем №3 на корпус – SDR переходит в режим ТХ.
Светодиоды: 1.Красный – ТХ, 2.Зелёный – индикация подачи питания DC, 3.Жёлтый – индикация включения УВЧ.
Тумблера: PWR – подача питания, АМР – включение УВЧ.
На заднюю панель выведены разъёмы: DC - подключение внешнего питания, которое может быть 13,8-14,2В и током до 0,9А. +ТХ - выход напряжения +5В-ТХ для коммутации внешнего УМа. Джеки DC и +TX – обычные компьютерные моно диаметром 3,5мм (см. ниже фото). SDR обкатывается при подаче 14,2В через разъём DC (желтым цветом обозначенный). Можно подавать и на разъём (DC) обозначенный синим цветом. Эти разъёмы включены параллельно, только разъём DC (желтый) идёт через тумблер PWR включения питания на передней панели, а разъём DC (синий) запаян прямо на плату "Автоматика". По питанию все платы соединены, т.е. плата Автоматика и ДПФы, через пин №8 из гребёнки XS7. Внутренние стабилизаторы в SDRе все задействованы – посему, по большому счёту, напряжение может быть не стабилизированное (в разумных пределах!). Подавать можно до 16В, но не забывайте, что КРЕНки на 5В будут от такого напряжения сильнее греться. При напряжении питания ниже 12,8В могут не срабатывать реле. Оптимальное испытанное напряжение 13,8-14,2В.
Разъём +ТХ – выход логики +5В ТХ. Т.е. при переходе на передачу на этом разъёме появляется напряжение +5В - DD3.4 на плате "Автоматика". Дюже нагружать по току этот выход не рекомендую. Т.е. подойдёт для управления в УМе в базу транзисторного ключа на КТ815,817,819 через резистор 1кОм. Как это делается – см. моё описание усилка на ГУ74Б на сайте, например здесь - http://www.ut2fw.com/index.php?go=Pages&in=view&id=31
б) корпус с прямоугольными кнопками на передней панели и без разъёма-
Кнопка справа - включение СДРа (питание на разъём DC), кнопка слева - включение УВЧ. Светодиоды: желтый - включение УВЧ, зелёный - включение СДР, прозрачный (светится красным цветом) - индикация перехода на ТХ. На задней панели вместо выхода +ТХ выведена педаль - т.е. замыканием контакта на корпус переводим СДР в режим передачи. Для коммутации внешнего усилителя используем пин №13 разъёма EXT Control - инфо по нему смотри выше.
По теме возможного БП для 1Вт-ной версии СДРа.
Потребляет SDR от источника напряжением 13,8В в режиме RX 680мА, в режиме ТХ (несущая) 870мА. Т.е. можно запитать от одной обычной КРЕНки. Чтобы получить от 12Вольтовой КРЕНки 13,8В - нужно её среднюю "ножку" цеплять на землю через цепочку диодов. Чем больше диодов - тем выше будет выходное напряжение. Не забывайте, что металлический корпус КРЕНки в этом случае нужно изолировать от земли. Или таким образом не "выпендриваться", а применить КРЕНку с возможностью регулировки выходного напряжения. Типы таких интегрированных стабилизаторов рекомендовать не буду - их сейчас много "всяких разных" предлагает рынок. Как вариант - если вы уверены в своей сети - можно применить и не стабилизированный источник питания. Нужно только проверить какое реальное напряжение он даёт в нагруженном состоянии. Нижняя граница напряжения 14,5В, верхняя - 16В. Опасность подачи не стабилизированного напряжения лишь в том, что в случае резкого повышения сетевого напряжения будут сильнее греться КРЕНки (на них же рассеивается весь перепад напряжения) и никто не даст вам гарантий, что они в таком режиме буду надёжны и долговечны.


Вложения:



Комментарий к файлу: Разъём на передней панели

Комментарий к файлу: Джек папа 3,5мм для DC, +ТХ


_________________
Aleksandr
Вернуться к началу
 Профиль Отправить личное сообщение  
Ответить с цитатой  
 Заголовок сообщения: Re: Подключение СДР-а.
СообщениеДобавлено: 17 июн 2009, 13:26 
Не в сети
Полноправный участник
Аватара пользователя

Зарегистрирован: 25 янв 2008, 23:51
Сообщения: 39
Откуда: Украина, Донбасс
Вопрос к дяде Саше UT2FW. Сразу оговорюсь, что перед тем как его задать, тщательно прочёл статью про то, Как правильно подключить кабели к SDR отсюда: http://ut2fw.com/index.php?go=Pages&in=view&id=21
В общем суть проблемы такова:
Есть в наличии зв.карта для ноутбука с шиной PCMCIA: Creative Audigy 2ZS notebook . Цитата из её описалова: http://www.ixbt.com/multimedia/creative-audigy2-zs-notebook.shtml
...Выход на наушники совмещен с цифровым оптическим выходом, а линейный и микрофонный вход — с оптическим входом...
итого имеем 2 канала MIC (или LINE-IN) и 2 канала HEAD_PHONES (по сути LINE-OUT). Вопросов при прослушивании принимаемых станций не возникает - слушаю их через активную акустику 5.1, которая подключена к шнурку с 3-я стерео разъёмами, торчащему из карточку. В случае отсутсвия акустики (при выезде на природу) могу подключить наушники к разъёму SPEAKER на задней стенке SDR. Комутация выходного НЧ сигнала в нём между разъёмами LINE OUT и SPEAKER осуществляется релюшкой при переходе между режимами RX - TX. А вот как быть, когда надобно "по-алёкать" в эфир? Ведь разъём MIC на задней стеночке DN-100 не выведен. Только LINE IN. Понятно, что и здесь комутация входных НЧ сигналов релизована другой релюшкой. Но сам разъём MIC отсутствет (вернее он на плате впаян, но отверстие под него на задней панели DN-100 не высверлено). Не ужели дядя Саша поленился :D просверлить ещё одну дИрочку в корпусе, что-бы можно было подключать микрофон непосредственно в SDR???


Вложения:
Комментарий к файлу: Вид зсади

Комментарий к файлу: Подключение шнурков

Комментарий к файлу: Схема TRX


_________________
Sergey, US6IQL
Вернуться к началу
 Профиль Отправить личное сообщение  
Ответить с цитатой  
 Заголовок сообщения: Re: Подключение СДР-а.
СообщениеДобавлено: 18 июн 2009, 21:44 
Не в сети
Гуру поболтать
Аватара пользователя

Зарегистрирован: 09 ноя 2007, 14:22
Сообщения: 1643
Фотографии: 267
US6IQL писал(а):
Вопрос к дяде Саше UT2FW. Сразу оговорюсь, что перед тем как его задать, тщательно прочёл статью про то, Как правильно подключить кабели к SDR отсюда: http://ut2fw.com/index.php?go=Pages&in=view&id=21
В общем суть проблемы такова:
Есть в наличии зв.карта для ноутбука с шиной PCMCIA: Creative Audigy 2ZS notebook . ...... Ведь разъём MIC на задней стеночке DN-100 не выведен. Только LINE IN. Понятно, что и здесь комутация входных НЧ сигналов релизована другой релюшкой. Но сам разъём MIC отсутствет (вернее он на плате впаян, но отверстие под него на задней панели DN-100 не высверлено). Не ужели дядя Саша поленился :D просверлить ещё одну дИрочку в корпусе, что-бы можно было подключать микрофон непосредственно в SDR???

Батенька, продырчить дополнительно ещё одну-две-три, или N-ое количество "дырдочек" - не составляет никаких проблем. Но тут нужно учитывать "исходные", от которых приходится отталкиваться, когда разрабатываешь какое-нибудь изделие для нашего славянского менталитета. А реалии таковы - что чем меньше сделаешь различных "фишечек и рюшечек" в железяке - тем более понятна и востребована она будет. Пример из жизни, наиболее близкий к СДРной теме. Релюха К1 на плате TRX. Эта релюшка за все годы продвижения СДРной техники в "массы" практически так и не понадобилась. По крайней мере не могу припомнить ни одного реального случая, когда эта релюха действительно была задействована. А вот пинков о том, что де мол - "мы СДРку получили, а там нема запаянной К1" или "вот, мы купили звуковую карточку, как К1 запитать, чтоб всё заработало?" - этого предостаточно. Даже на скрном форуме один дядька несколько месяцев ко всем приставал по теме той релюшки. В конце концов оказалось, что всего лишь нужно внимательно читать описания и придерживаться рекомендаций, а не изобретать "велик"... Т.е. релюшка та, конечно, ему была непотребна - нужно было "галки" в сетапе правильно расставить.
Представь себе если ещё одну дырдочку в DN-100 продырчить и написать возле неё MIC. Т.к. и такой опыт есть - поглазей 1Вт-ную версию у которой на передней панели есть "микрофонная дырдочка". На полном серьёзе были вопросы от пользователей того варианта СДРа, типа: "Я туда микрофон воткнул, а оно не разговаривает"... :wink:
Посему: для "продвинутых" - есть схемы-описания - ваяй-подстраивай как тебе угодно под свои индивидуальные запросы, т.к. в схемотехнику заложено на все случаи жизни. А для "чиста-пользователей" всяко-дырдочек бум делать всё меньше и меньше, дабы они их не "смущали".
Кстати, по теме переходника USB-LPT - когда ты попробуешь перестройку от обычного LPT или "настоящего быстрого" переходника, то совсем по иному начнёшь воспринимать их работу. Это как раз та тема, о которой в Одессе говорят - "Две большие разницы". Посему не спеши делать заявления и выводы. Поюзай СДРную технику хотя бы с пол годика - потом вернёмся к этому вопросу.

_________________
Aleksandr


Вернуться к началу
 Профиль Отправить личное сообщение  
Ответить с цитатой  
 Заголовок сообщения: Re: Подключение СДР-а.
СообщениеДобавлено: 10 окт 2009, 16:25 
Не в сети
Гуру поболтать
Аватара пользователя

Зарегистрирован: 09 ноя 2007, 14:22
Сообщения: 1643
Фотографии: 267
Александр, я твой SDR пытаюсь подключить к усилку что-бы потом далее разогнать,неподскажешь как лучше подключить SDR к драйверу на двух 6Э5П от Р-140? С уважением,Владимир

У меня нет опыта подключение 1Вт-ного СДРа к Р-140. Думаю, больше подробностей в эту тему смог бы доложить дядя Юра RV3DLX - он восстанавливал СДР от попадания в него 24В из Р-140. Нужно его поспрашивать.

Могу осветить тему, как СДР стыкуется с ШПУ 100Вт в DN-100.
Основная задача - правильная коммутация и номинальная нагрузка для ШПУ СДРа.
Напоминаю - "что такое правильная коммутация"? Это когда вначале подключается ШПУ (клацнули все релюхи переключения антенны и подключения входа УМа) и только после этого появляется сигнал из СДРа на входе УМа. В СДРе янками сделано всё правильно - есть даже возможность регулировать ту задержку в сетапе софта - см. описания на компакт-диске с СДРом. Наша задача - только правильно подключить. В DN-100 для коммутации антенного реле и переключения RX-TX ШПУ использован сигнал RX-TX - разъём XS8 пин №8. Этот сигнал (+5В ТХ) открывает транзисторные ключи, расположенные на плате ШПУ 100Вт.
Этот же сигнал мы имеем "инвертированным" в пине №7 разъёма X2 Ext.Control. Можно использовать оба варианта - но не забывать, что нагрузочная способность слабая и ни в коем случае в эти цепи не должно попасть высокое напряжение из УМа. В DN-100 питание ШПУ 13,8В - последовательно в цепь RX-TX установлен защитный диод, дабы 13,8В из УМа не попало в эту цепь. Как выполнены ключи? См. раздел по транзисторным ШПУ тут же в форуме - усилок на RD70HHF1.
Ещё почитать в тему правильной коммутации в самом УМе здесь - http://ut2fw.com/node/19
Проблемы возникают при стыковке самоделковых УМов с буржуинской или СДРной техникой (техникой, у которой транзисторы на выходе) именно из-за отсутствия правильной коммутации в УМах. Лепят по два микрика в педали, или какие дополнительные тумблера, или реле. Правильность переключения должны обеспечивать не дополнительные микрики в педали, а ключи в автоматическом режиме.

В тему оптимальной нагрузки для ШПУ СДРа - инфо на компакт-диске от UT2FW к СДРу. Читаем файл "В тему стыковки выходного усилка 1Вт". Не знаю входного сопротивления того драйвера на 6Э5П, но скорее всего оно высокое. Посему, дабы не искушать судьбу - "тупо" грузим выход передатчика СДРа на 50Ом резистор 1Вт и с него снимаем сигнал дальше. В DN-100 нагрузка для ШПУ СДРа находится на плате ШПУ 100Вт.
Дабы исключить дополнительное реле коммутации RX-TX - следует выпаять реле К20 на плате ДПФов - см. фото ниже. "Дырдочка" ТХ пошла прямёхонько на вход ШПУ. А "дырдочка" RX на коммутационное реле на выходе ШПУ - см. схему ШПУ в разделе "Усилители" форума.


Вложения:




_________________
Aleksandr
Вернуться к началу
 Профиль Отправить личное сообщение  
Ответить с цитатой  
 Заголовок сообщения: СДР и внешний тюнер
СообщениеДобавлено: 07 дек 2009, 09:53 
Не в сети
Присоединившийся

Зарегистрирован: 27 июн 2008, 14:51
Сообщения: 7
Для использования внешнего тюнера к DN-100 будет достаточно поставить все ручки согласуещего устройства в СДРе на ноль или нужно ещё провести какие то манипуляции? Управление внешним тунером будет ручное.


Вернуться к началу
 Профиль Отправить личное сообщение  
Ответить с цитатой  
 Заголовок сообщения: Re: СДР и внешний тюнер
СообщениеДобавлено: 07 дек 2009, 11:20 
Не в сети
Гуру поболтать
Аватара пользователя

Зарегистрирован: 09 ноя 2007, 14:22
Сообщения: 1643
Фотографии: 267
RK3DMN писал(а):
Для использования внешнего тюнера к DN-100 будет достаточно поставить все ручки согласуещего устройства в СДРе на ноль или нужно ещё провести какие то манипуляции? Управление внешним тунером будет ручное.
Чтобы "отключить" СУ в DN-100 - достаточно все "ручки в ноль". Если "гнаться" за идеальным согласованием - одним из конденсаторов чуток компенсировать реактивность проводов между платой КСВ-метра и антенным разъёмом на задней панели DN-100.
"Пять копеек" в тему тюнеров. Практически все буржуино-автомат-тюнеры выполнены по Г-образной схеме, дорогие по Т-образной. СУ в DN-100 выполнено по П-образной схеме. Не буду вдаваться в теории - почитайте сами хотя бы справочник Бунина-Яйленко. Для ленивых процитирую оттуда - стр.121: "Наилучшей фильтрацией при минимальном числе элементов обладает П-образный контур. ...он обеспечивает подавление второй гармоники на 40-45дБ. П-контур обладает также большой гибкостью с точки зрения трансформации сопротивления антенны в эквивалентное сопротивление анодной нагрузки" - в нашем случае это ШПУ.

_________________
Aleksandr


Вернуться к началу
 Профиль Отправить личное сообщение  
Ответить с цитатой  
Показать сообщения за:  Поле сортировки  
Начать новую тему Ответить на тему  [ Сообщений: 7 ] 

Часовой пояс: UTC + 2 часа


Кто сейчас на конференции

Сейчас этот форум просматривают: нет зарегистрированных пользователей и гости: 28


Вы не можете начинать темы
Вы не можете отвечать на сообщения
Вы не можете редактировать свои сообщения
Вы не можете удалять свои сообщения
Вы не можете добавлять вложения

Перейти:  
cron