Кааак летит время... 10 лет сюда ничего не писал...
Так называемый "
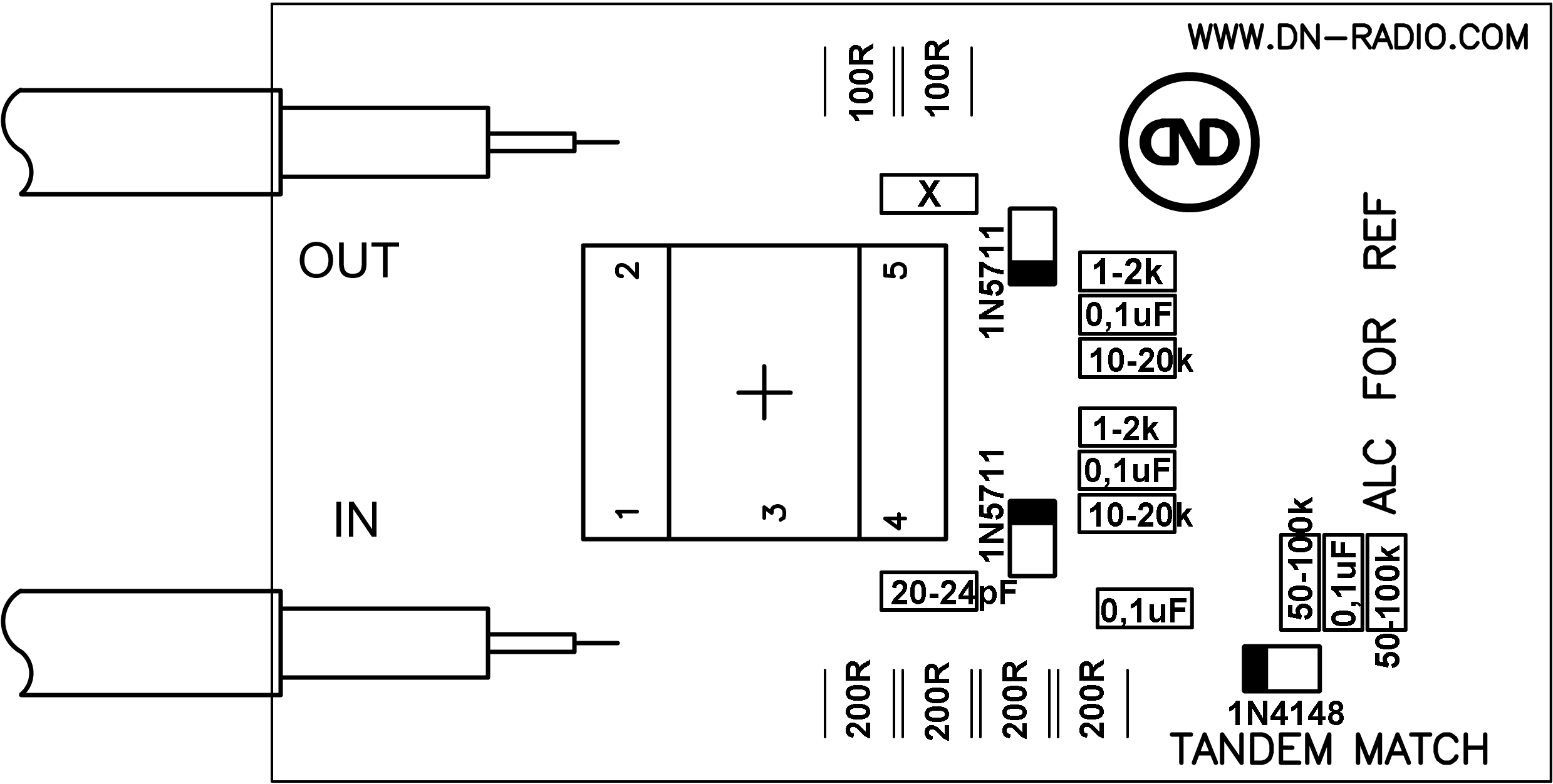
тандем матч" (
Tandem Match)
это небольшого размера платка (74х45мм) с трансформатором-биноклем (ответвителем). Феррит от японской
Tomita размер 10х20х15мм.
По умолчанию проницаемость 3А4 (800) - близкая к адекватно воспринимаемой ментальностью наших радистов - тип 43 (800) от Fair-Rite.
С чьей-то легкой (или не очень?) руки - везде для КВ начали лепить 43 проницаемость - поэтому и я такую чаще применяю. Хотя работают (1-50МГц) практически без разницы одинаково 3А7, 3А4, D12A.
И тот же производитель Fair-Rite приводит такую рекомендацию по применению, ссылка =>
https://fair-rite.com/product-category/ ... ure-cores/ (ниже картинка) - где мы видим какую проницаемость он рекомендует на частотах ниже 50МГц.
Ссылки -
проницаемости от Tomita =>
https://www.tomita-electric.com/en/material/std-ni/феррит 43 от Fair-Rate =>
https://fair-rite.com/43-material-data-sheet/Описание Tandem Match предназначен для усилителей мощности (от 100 Вт до 3 кВт) в высокочастотном диапазоне 1-60 МГц.
Проверенная мощность 3кВт - выходное напряжение FOR при такой мощности +19В.
В табличках - зависимость выходного напряжения от проходящей мощности.
Эта плата предназначена как компонент в системе измерения мощности и SWR усилителя.
Применён вариант хорошо известного "направленного ответвителя", он может измерять прямую и отраженную мощность одновременно, без необходимости переключать переключатель для этого.
Сигнал FOR (см. схему - VD4) используется для измерения мощности.
Сигнал REF (см. схему - VD5) используется для измерения и для системы защиты от высокого значения REF.
Сигнал ALC (см. схему - VD6) - порт отрицательного напряжения для управления выходной мощностью приемопередатчика. Для ограничения максимальной входной мощности усилителя.
Размер сердечника TR1 10x20x15 мм (феррит 43 - марка 3А4 от Tomita) позволяет измерять мощность не менее 3000 Вт.
При этом сопротивление нагрузки должно составлять 50 Ом.
Конструкция платы позволяет крепить ее непосредственно к корпусу без дополнительных стоек. Что очень удобно.
FOR – измерение мощности
REF – измерение КСВ
ALC - управляющий сигнал мощностью передатчика. Как правило, ALC полезен на низких частотах (ниже 20 МГц). Поэтому диод VD6 используется не высокочастотный. Для того, чтобы напряжение ALC с ростом частоты уменьшалось.
Ответы на часто задаваемые вопросы -
1.Измеряет ли малые мощности? - минимальная мощность ограничена напряжением открытия диодов VD4,5 (Шоттки) - 1N5711, это 0,34 В при токе 1 мА.
2.Какая погрешность измерений? - тема достаточно "щепетильная" - главный вопрос - какой измеритель использовать как стандарт? И на какой частоте проводить измерения? Проведены сравнения со всеми доступными устройствами. От BIRD Model 43, AT2K Palstar до красноярских повер мониторов от Эндис и градусника на морде китайского Amtec LA-4000. Сравнение с различными китайско-итальянскими SWR-метрами - не в счёт.
Следует понимать что погрешность измерения будет зависеть от типа применяемого детектора и частотных характеристик ответвителя.
Для меня стандартом измерителя до 300В - это ВК7-9 - если сравнивать с ним - погрешность не более 5% с увеличением на краях диапазона измеряемых напряжений. Для диодов наибольшая погрешность в нижней части, т.е. на пороге открытия диода.
К самому ответвителю (биноклю) нет претензий - на сегодня это наиболее качественный вариант ответвителя.
3.Можно ли нагрузить напрямую на стрелочный прибор? - легко. Добавил пару фоток для наглядности - замены на эту платку в каком-то из MFJ и итальянском Syncron.
продолжение следует
